Testing Attempts
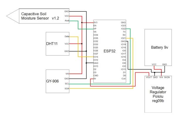
When connecting all the systems as shown in the schematic picture, we had a problem. The sensors were not collecting any data.
|
|---|
Figure 15 Schematic representation of the system connected to a 9V battery and voltage regulator, by Ziad Helou |
To identify the problem, we connected the battery through a Pololu voltage regulator using the same 5.39 volts, and we measured how much the output voltage from the ESP32 3V3 pin was, one time using the 5V pin in the ESP32 as input:
|
|---|
Figure 16 First trial connecting the battery through a Pololu voltage regulator using the 5V pin in ESP32 as input, Photo by Ziad Helou |
and the second time using a micro USB cable:
|
|---|
Figure 17 Second trial connecting the battery through a Pololu voltage regulator using a micro USB cable, Photo by Ziad Helou |
The voltage results were 1.52V and 1.6V, respectively. 1.6 volts is not sufficient to power the sensors. For example, the Capacitive Soil Moisture Sensor requires 3.3 volts to work. [30]
Trying another way to provide a stable voltage to the ESP32, the Power Supply Module 1PC in the ELEGO kit was our next choice. In the picture collage:
it is shown how we tried to work on many schematics using the 3V3 volts in the power supply or the 5V. The power supply is linked to the ESP32 using a micro cable USB or the 5V pin as an input. When using the micro cable USB, also we had two options, one to use the pin 3V3 as output in the ESP32, and the other to use the pin 5V. In all options, the maximum voltage supplied from the ESP32 to the sensors was 2.2 volts, which is also insufficient to power our sensors.
Our next step was to connect the battery directly to the ESP32 using a 5V pin as input or the micro cable USB so we could measure the voltage supplied from the ESP32 from the pins 5V and 3V3 as shown in the pictures:
|
|---|
Figure 19 Collage of trials connecting the battery using the micro cable USB as input and the 5V pin as output, Photos by Ziad Helou |
In the three schematics, the maximum voltage supplied from the ESP32 to the sensors was 2.73 volts, which is also insufficient to power our sensors. 2.73 volts was the best voltage reached when using the battery in all our trials when connecting the battery using the micro cable USB as input and the 5V pin as output.
To investigate more, we measured the voltage of the Laptop USB port. The voltage was 5.18 volts, even less than the voltage supplied from the battery.
When connecting the Laptop USB port using a micro cable USB to the ESP32 and measuring the output voltage from the pins 5V and 3V3, we got the voltage required to power the sensors - almost 5 volts, and 3.3 volts respectively.:
|
|---|
Figure 21 Measuring the voltage supplied by the Laptop USB port from the pins 5V and 3V3, Photos by Ziad Helou |
Using the 9V battery from the ELEGOO kit is insufficient to power our station using the Pololu and the Power Supply Module 1PC. For that reason, we should find another way to power the station. As we had no other components to link the battery to the ESP32, we used a Samsung 5V Adapter to power our station directly from electricity.






